多态增强机抖激光陀螺随机噪声注入技术

Polymorphic enhancement of random noise injection in mechanically dithered laser gyroscopes

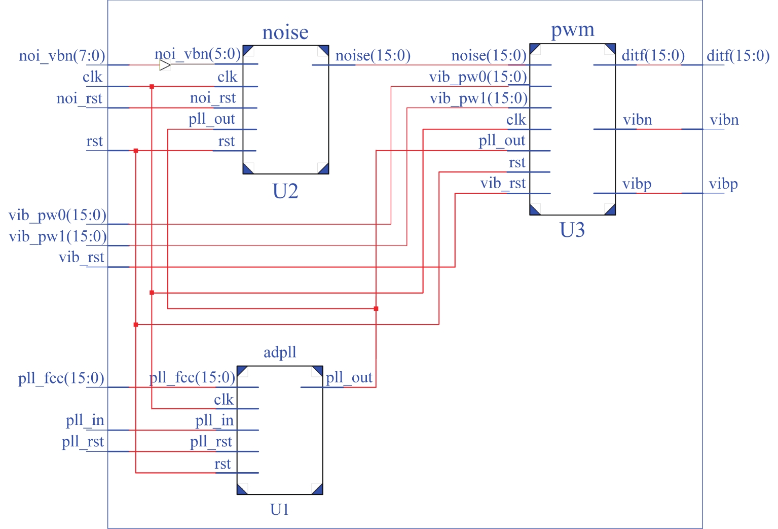
  • 摘要: 针对机抖激光陀螺存在的随机噪声注入效率低的问题,深入研究了随机噪声对消除激光陀螺动态锁区的影响,获得了噪声频率分量与动态锁区之间的函数关系。基于伪随机序列并结合对激光陀螺噪声注入传递函数的分析,提出了多态增强随机噪声注入技术,在现场可编程门阵列(field programmable gate array, FPGA)中设计了多态随机噪声增强注入算法,并对多态随机噪声增强注入技术进行了实验验证。结果表明,相对于传统随机噪声注入技术,多态增强随机噪声注入明显丰富了随机噪声的频率分量,并在高频段增强了噪声幅度,从而使激光陀螺的噪声注入效率提高了约50.57%,陀螺精度提高了约33.62%,角随机游走系数降低了约17.62%。多态增强随机噪声注入技术为提高机抖激光陀螺的性能提供了重要参考。

     

    Abstract: Aiming at the issue of low efficiency in random noise injection in a mechanically dithered laser gyroscope, the effect of random noise on the elimination of dynamic lock-in region in laser gyroscope was intensively studied, and a functional relationship between noise frequency components and dynamic lock-in region was obtained. Based on the pseudo-random sequence and combined with the analysis of noise injection transfer function for the laser gyroscope, a polymorphic random noise enhancement injection technology was proposed, and an algorithm for polymorphic random noise enhancement injection was developed in field programmable gate array (FPGA), followed by experimental verification of the technique. The results show that, in comparison to conventional random noise injection methods, polymorphic enhanced random noise injection notably enriches the frequency components of random noise and boosts the noise amplitude in the high-frequency range. Consequently, the noise injection efficiency of the laser gyroscope rises by around 50.57%, the gyroscope accuracy is increased by about 33.62%, and the angular random walk coefficient is reduced by approximately 17.62%. The polymorphic enhanced random noise injection technology offers important reference for improving the performance of mechanically dithered laser gyroscopes.

     

/

返回文章
返回