涉氢装备氢气泄漏激光遥测系统光电参数优化分析

Optimization analysis of optoelectronic parameters of laser telemetry systems for hydrogen leakage detection in hydrogen-involved equipment

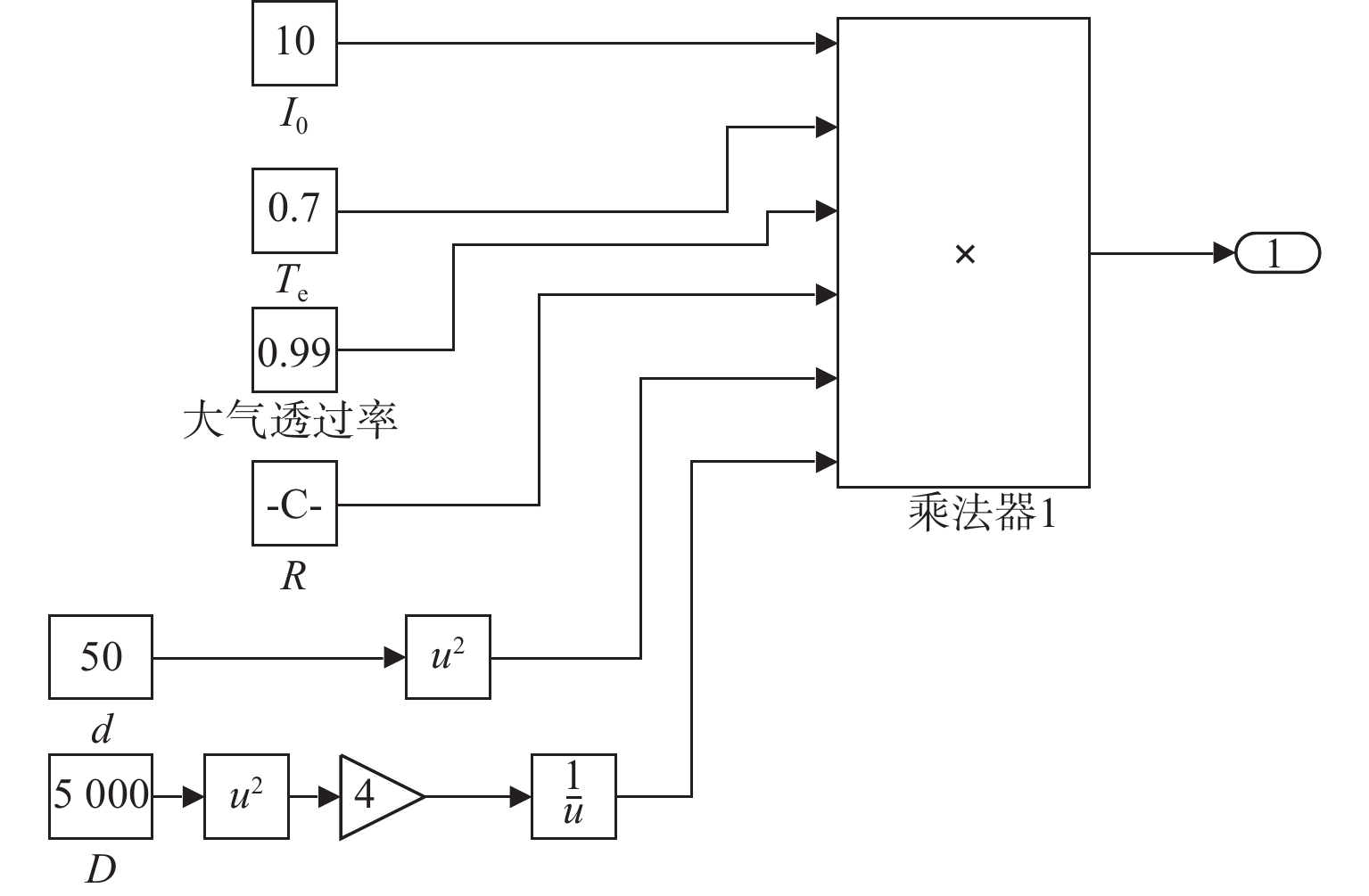
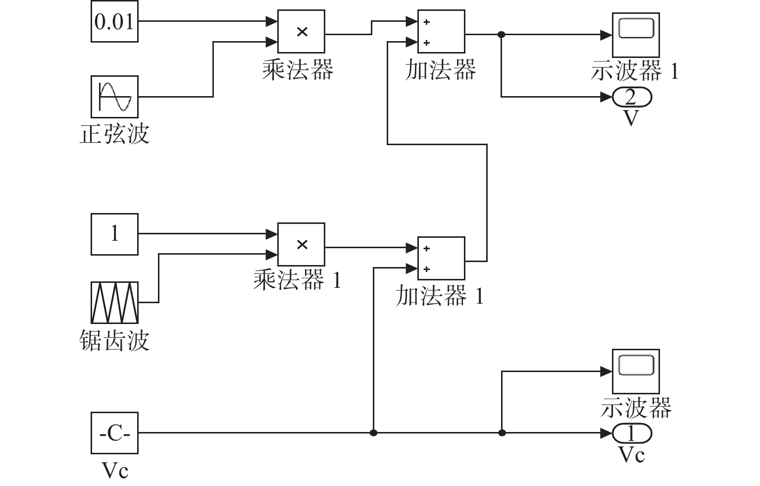
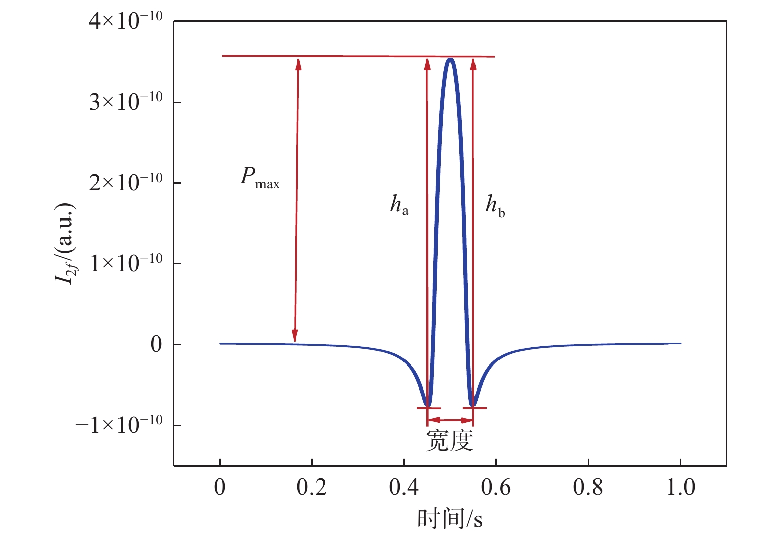
  • 摘要: 在氢气泄漏的场景中,人员可能面临火灾、爆炸和窒息等极大危险。为了检测时有效降低人员的暴露风险,实时监测氢气浓度,研发了一套基于开放光路下的可调谐二极管激光吸收光谱(tunable diode laser absorption spectroscopy, TDLAS)技术结合波长调制光谱(wavelength modulation system, WMS)技术的氢气遥测系统,利用MATLAB可视化建模仿真软件Simulink实现了对该系统的仿真建模。为进一步提高系统的检测精度和信噪比,对比分析激光扫描参数对二次谐波信号波形的影响,以及不同菲涅尔透镜F数对探测器接收光强的影响情况,并结合波形的峰值、峰宽、信噪比和信号的完整性等评估指标得到最佳参数值。结果表明:扫描幅度为1 V,扫描频率为10 Hz下的波形最佳。参数优化后,以木板、石灰、塑料、铝板为非合作目标可实现的最远探测单程距离分别从1.8 m、2.4 m、4 m和6 m提升至 2 m、2.8 m、5.1 m和10 m,系统激光回波入射功率也有显著提高。该氢气检测系统具有使用环境更广泛、检测环境更安全、检测精度更高的特点。该研究为实际测量中相关参数的选取提供了理论依据,对改善实际应用中的系统测量精度提供了理论指导。

     

    Abstract: In the scenario of hydrogen leakage, personnel may be exposed to great dangers such as fire, explosion and asphyxiation. In order to effectively reduce the risk of personnel exposure during detection and to monitor hydrogen concentrations in real time, a hydrogen telemetry system based on tunable diode laser absorption spectroscopy (TDLAS) technology under an open light path combined with wavelength modulation system (WMS) technology was developed, in which the simulation modeling was realized by using MATLAB visual modeling and simulation software Simulink. To further improve the detection accuracy and signal-to-noise ratio of the system, the influence of laser scanning parameters on the second-harmonic signal waveform and the influence of different Fresnel lens F numbers on the light intensity received by the detector were comparatively analyzed, and the optimal parameter value was obtained by combining the peak value, peak width, signal-to-noise ratio and signal integrity of the waveform. The results show that the waveform is optimal with the scanning amplitude of 1 V and the scanning frequency of 10 Hz. After parameters optimization, the maximum detection distance of wood board, lime, plastic, and aluminum plate as non-cooperative targets is increased from 1.8 m, 2.4 m, 4 m and 6 m to 2 m, 2.8 m, 5.1 m and 10 m respectively, and the laser-echo incident power of the system is also significantly improved. The hydrogen detection system has the characteristics of wider operating environment, safer detection environment and higher detection accuracy. This research serves as a theoretical foundation for the selection of relevant parameters in practical measurement, and provides theoretical guidance for enhancing the accuracy of system measurement in practical applications.

     

/

返回文章
返回