双光路干涉测量的控制系统设计

Design of control system for double optical path interferometry

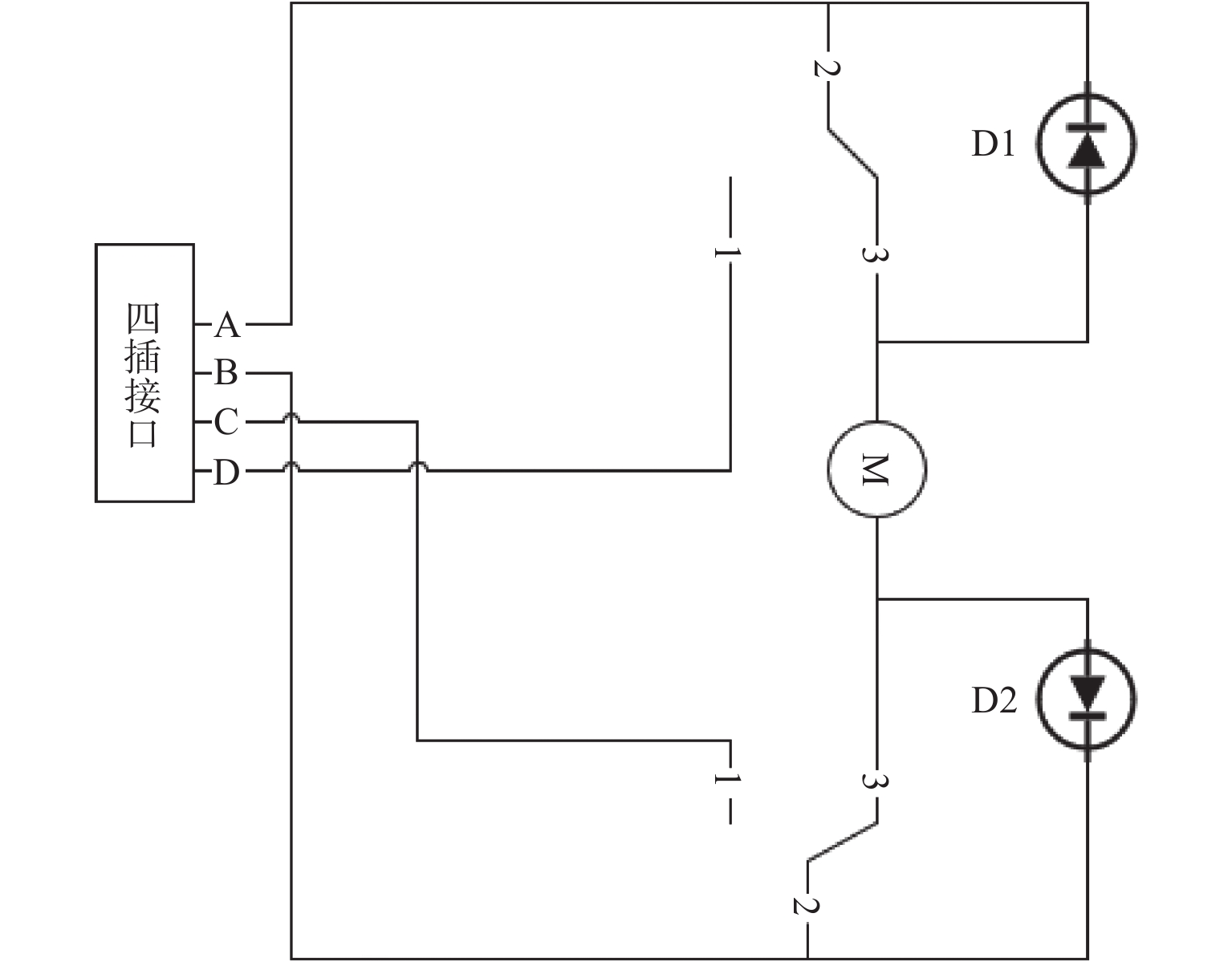
  • 摘要: 传统的大口径光学元件干涉测量方法依赖于根据不同测试样品人为改变扩束镜头和光路结构,该方法会不可避免引入一些系统误差,因此针对双光路干涉仪的功能需要和仿真实验,提出了一套对应的双线控制方案。通过蓝牙通信、串口通信和机械结构的相互配合可以对光路进行多次折转和校准,使得每次切换测量口径后的光学元件变化位置固定,并在基于MFC(microsoft foundation classes)开发的交互界面显示实时状态。结果表明:在450 mm测量口径下,PV10测量重复性可达到0.004 λ,RMS测量重复性可达到0.000 4 λ;在100 mm测量口径下,PV10测量重复性可达到0.000 8 λ,RMS测量重复性可达到0.000 16 λ。实验结果表明该系统保障了优越的测量效率和测量重复性,为双光路干涉仪的研发提供了参考价值。

     

    Abstract: The traditional interferometry method of large-aperture optical element relies on artificially changing the beam expanding lens and optical path structure according to different test samples. This method inevitably introduces some systematic errors. Therefore, a set of corresponding dual-line control scheme was proposed according to the functional requirements of the dual-optical path interferometer and the simulation experiment. Through the cooperation of bluetooth communication, serial communication and mechanical structure, the optical path could be converted and calibrated for many times, so that the changing position of the optical element after each switch of the measurement diameter was fixed, and the real-time status was displayed in the interactive interface based on microsoft foundation classes (MFC). The results show that under 450 mm measurement diameter, the measurement repeatability of PV10 can reach 0.004 λ, and that of root-mean-square (RMS) can reach 0.000 4 λ. Under 100 mm measurement diameter, the measurement repeatability of PV10 can reach 0.000 8 λ, and that of RMS can reach 0.000 16 λ. Finally, the experimental results show that the system ensures the superior measurement efficiency and repeatability, which provides reference value for the research and development of dual-optical path interferometers.

     

/

返回文章
返回